
INCH-POUND
MIL-DTL-5423/13D
17 February 2009
SUPERSEDING
MIL-DTL-5423/13C
4 February 2008
DETAIL SPECIFICATION SHEET
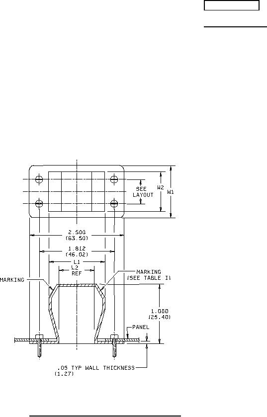
BOOT, DUST AND WATER SEAL, TYPE D (FOR LEVER
OPERATED CIRCUIT BREAKERS), STYLE 1 (PANEL MOUNTED WITHOUT MOUNTING FRAME)
This specification sheet is approved for use by all Departments and Agencies of the Department of Defense.
The requirements for acquiring the product described herein shall consist of this specification sheet and MIL-DTL-5423.
FIGURE 1. Dimensions and configuration boots type D, style 1.
AMSC N/A
FSC 5930
For Parts Inquires call Parts Hangar, Inc (727) 493-0744
© Copyright 2015 Integrated Publishing, Inc.
A Service Disabled Veteran Owned Small Business