
MIL-DTL-3950J
APPENDIX A
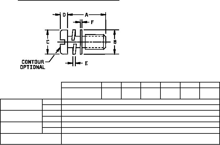
A.4.4 Terminal screw with captive split ring lockwasher.
Inches
mm
0.010
0.25
0.020
0.51
0.031
0.79
0.037
0.94
0.071
1.80
0.087
2.21
0.138
3.51
0.248
6.30
0.256
6.50
0.265
6.73
0.280
7.11
0.290
7.37
Thread size
A
B
C
D
E
F
.138-32 UNC-2A
.280
.265
.290
.087
.037
.020
.248
Max
.256
.071
.031
.010
Screw
Material
SAE-AMS-STD-66
(steel)
Finish
Suitably protected to resist corrosion
Helical Lockwasher
Material
SAE-AMS-STD-66
(steel)
Finish
Suitably protected to resist corrosion
Flat washer
Material
SAE-AMS-STD-66
(steel)
Finish
Suitably protected to resist corrosion
Military hardware
Can be replaced with NASM35206-226 screws and NASM35338-41
lockwashers.
33
For Parts Inquires call Parts Hangar, Inc (727) 493-0744
© Copyright 2015 Integrated Publishing, Inc.
A Service Disabled Veteran Owned Small Business