
INCH-POUND
MIL-DTL-3786/9E
19 November 2004
SUPERSEDING
MIL-S-3786/9D
14 August 1984
DETAIL SPECIFICATION SHEET
SWITCH, ROTARY, OPEN CONSTRUCTION, ½ AMPERE,
STYLE SR09
Inactive for new design after 8 March 1999
This specification is approved for use by all
Departments and Agencies of the Department of Defense.
The complete requirements for acquiring the switch described herein shall consist of this specification
and MIL-DTL-3786.
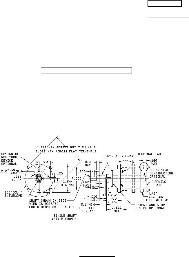
FIGURE 1. Style SR09 switch.
AMSC N/A
FSC 5930
For Parts Inquires call Parts Hangar, Inc (727) 493-0744
© Copyright 2015 Integrated Publishing, Inc.
A Service Disabled Veteran Owned Small Business