
INCH-POUND
MIL-DTL-3786/4M
18 April 2014
SUPERSEDING
MIL-DTL-3786/4L
31 January 2008
DETAIL SPECIFICATION SHEET
SWITCH, ROTARY, CLOSED CONSTRUCTION, 2 AMPERES, LOW LEVEL,
POSITIVE SHAFT GROUNDING, FLUX SEAL, STYLE SR04
This specification is approved for use by all
Departments and Agencies of the Department of Defense.
The requirements for acquiring the product described herein shall consist
of this specification sheet and MIL-DTL-3786.
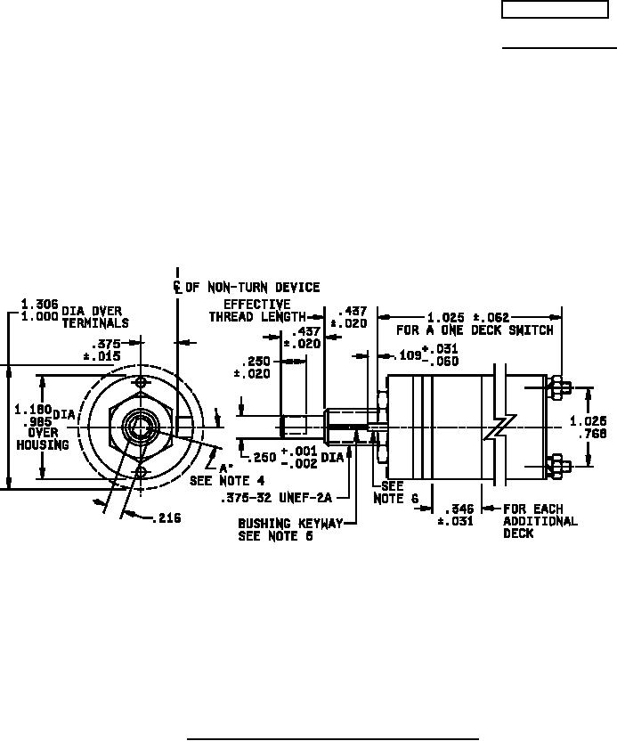
NOTES:
1. Dimensions are in inches.
2. Metric equivalents are given for general information only.
3. Unless otherwise specified, tolerances are ±.005 (0.13 mm) and ±3° on angles, (nonaccumulative).
4. Shaft-flat angle A° is the angle between a line through the center of the shaft and center of the nonturn
device, and another line through the center of the shaft and perpendicular to the shaft flat, with switch in the
extreme counterclockwise position. This refers to panel position; see figure 2 for terminal location.
5. Bushing keyway .069 (1.75 mm) ±.005 (0.13 mm) wide by .036 (0.91 mm) ±.003 (0.08 mm) deep measured
from a .375 (9.53 mm) diameter.
6. For sealed shaft and bushing switches, integral tab shall not be furnished. Busing keyway shall be used for
nonturn characteristic. See figure 3.
FIGURE 1. Dimension and configuration style SR04-1, single shaft.
AMSC N/A
FSC 5930