
MIL-DTL-3786/36B
NOTES:
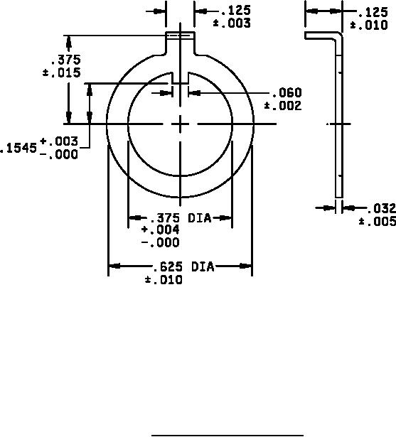
1. Dimensions are in inches.
2. Metric equivalents ( to the nearest .01 mm) are given for general information only and are based
upon 1 inch = 25.4 mm.
FIGURE 3. Non-turn washer configurations.
7
For Parts Inquires call Parts Hangar, Inc (727) 493-0744
© Copyright 2015 Integrated Publishing, Inc.
A Service Disabled Veteran Owned Small Business