
INCH-POUND
MIL-DTL-3786/3G
19 November 2004
SUPERSEDING
MIL-S-3786/3F
30 December 1987
DETAIL SPECIFICATION SHEET
SWITCH, ROTARY, OPEN CONSTRUCTION, ½ AMPERE,
STYLE SR03
Inactive for new design after 8 March 1999
This specification is approved for use by all
Departments and Agencies of the Department of Defense.
The requirements for acquiring the switch described herein shall consist of this specification sheet and
MIL-DTL-3786.
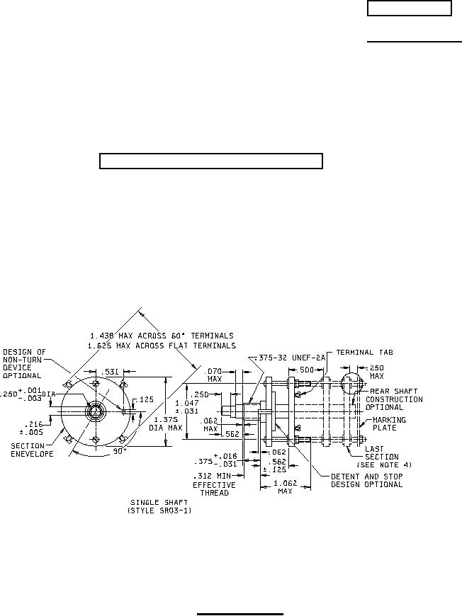
FIGURE 1. Style SR03 switch
AMSC N/A
FSC 5930
For Parts Inquires call Parts Hangar, Inc (727) 493-0744
© Copyright 2015 Integrated Publishing, Inc.
A Service Disabled Veteran Owned Small Business