
INCH-POUND
MIL-DTL-3786/28E
19 November 2004
SUPERSEDING
MIL-S-3786/28D
21 December 1982
DETAIL SPECIFICATION SHEET
SWITCH, ROTARY, CLOSED CONSTRUCTION, 1 AMPERE AND LOW LEVEL,
STYLE SR28
Inactive for new design after 8 March 1999
This specification is approved for use by all
Departments and Agencies of the Department of Defense.
The complete requirements for acquiring the switch described herein shall consist of this specification
and the latest issue of MIL-DTL-3786.
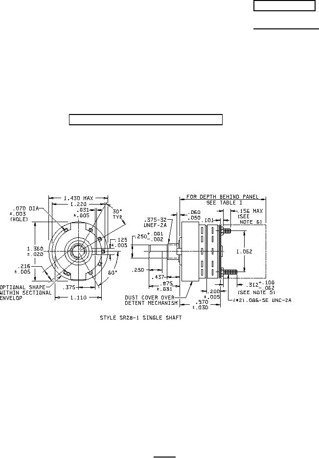
Style SR28-1 Single shaft
NOTES:
1. Dimensions are in inches.
2. Metric equivalents are given for general information only and are based upon 1.00 inch = 25.4 mm.
3. Unless otherwise specified, tolerance are ±.015 (0.38 mm) for three place decimals, ±3° on angles
and fractions ± .015 (.38 mm).
4. Switches having more than 2.750 inch (69.85 mm) length from mounting surface are provided with
through bolts extended .250 inch (6.35 mm) minimum beyond the nuts securing the last switch
section at the rear of the switch to provide means to support the rear of the switch.
5. Dimensions to provide rear support for switches with eleven or more wafers.
6. Applied to switches having ten wafers or less.
7. Odd and even wafers are counted from shaft end (front) of switch.
FIGURE 1. Switch.
AMSC N/A
FSC 5930