
INCH-POUND
MIL-DTL-3786/13G
19 November 2007
SUPERSEDING
MIL-DTL-3786/13F
7 December 2003
DETAIL SPECIFICATION SHEET
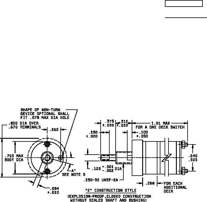
SWITCH, ROTARY, CLOSED CONSTRUCTION,
500 AMPERE, STYLE SR13
This specification sheet is approved for use by all
Departments and Agencies of the Department of Defense.
The requirements for acquiring the product described herein shall consist of this
specification sheet and MIL-DTL-3786.
NOTES:
1. Dimensions are in inches.
2. Metric equivalents are given for general information only.
3. Unless otherwise specified, tolerances are ±.015 (0.38 mm) and ±3° on angles
(nonaccumulative).
4. Maximum weight: one deck switch is 19 grams. Add 2.5 max grams for each additional deck
and based upon 1 oz. = 28.35 grams.
5. Shaft-flat angle A° is the angle between a line through the center of the shaft, perpendicular to
the mounting bushing flats and another line through the center of the shaft and perpendicular to
the shaft flat, with switch in position No. 1. This refers to panel position; see figure 2 for terminal
location.
FIGURE 1. Style SR13 switch.
AMSC N/A
FSC 5930