
INCH-POUND
MIL-DTL-28788/1D
1 September 2010
SUPERSEDING
MIL-DTL-28788/1C
23 June 2004
DETAIL SPECIFICATION SHEET
SWITCHES, LIQUID FLOW, SINGLE POLE, DOUBLE THROW (SPDT),
3 AMPERES, OPERATING TEMPERATURE (32°F to 185°F)
Inactive for new design after 8 March 1999
This specification is approved for use by all Departments and Agencies of the Department of Defense.
The requirements for acquiring the switches described herein shall consist of this specification sheet and MIL-DTL-28788.
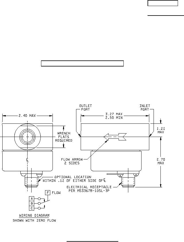
FIGURE 1. Configuration and dimenisons.
AMSC N/A
FSC 5930
For Parts Inquires call Parts Hangar, Inc (727) 493-0744
© Copyright 2015 Integrated Publishing, Inc.
A Service Disabled Veteran Owned Small Business