
INCH-POUND
MIL-DTL-21604/6C
27 March 2009
SUPERSEDING
MIL-DTL-21604/6B
27 June 2003
DETAIL SPECIFICATION SHEET
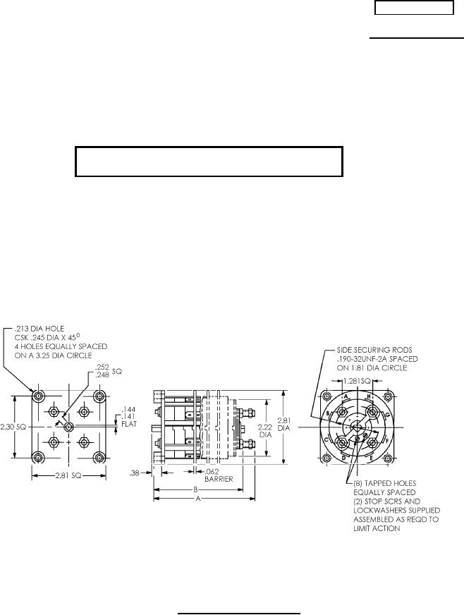
SWITCH, ASSEMBLIES FOR REMOTE OPERATED SWITCHES, 10 AMPERE,
STYLES RJR AND RJRA
INACTIVE FOR NEW DESIGN AFTER 30 MARCH 1992
FOR NEW DESIGN, USE MIL-S-24187
This specification is approved for use by all Depart-
ments and Agencies of the Department of Defense.
The complete requirements for acquiring the switches described herein
shall consist of this specification and the latest issue of MIL-DTL-21604.
FIGURE 1. Styles RJR and RJRA switch.
AMSC N/A
FSC 5930