
INCH-POUND
MIL-DTL-21604/5D
16 January 2014
SUPERSEDING
MIL-DTL-21604/5C
27 March 2009
DETAIL SPECIFICATION SHEET
SWITCH, ROTARY, MULTIPOLE AND SELECTOR, 10 AMPERE,
STYLE JR
This specification is approved for use by all Departments and Agencies of the Department of Defense.
The complete requirements for acquiring the switches described herein
shall consist of this specification and the latest issue of MIL-DTL-21604.
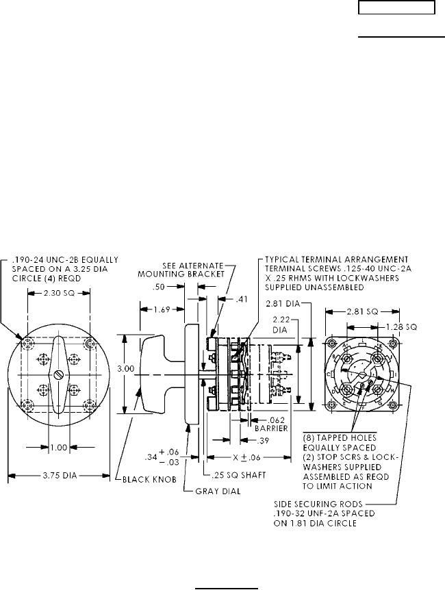
FIGURE 1. Style JR switch.
AMSC N/A
FSC 5930
For Parts Inquires call Parts Hangar, Inc (727) 493-0744
© Copyright 2015 Integrated Publishing, Inc.
A Service Disabled Veteran Owned Small Business