
INCH-POUND
MIL-DTL-21604/1C
27 March 2009
SUPERSEDING
MIL-DTL-21604/1B
27 June 2003
DETAIL SPECIFICATION SHEET
SWITCH, ROTARY, MULTIPOLE AND SELECTOR, 1 AMPERE,
STYLES JF AND JFM
This specification is approved for use by all Depart-
ments and Agencies of the Department of Defense.
The complete requirements for acquiring the switches described herein
shall consist of this specification and the latest issue of MIL-DTL-21604.
NASM35333-110 or EQUIVALENT
NASM35333-76
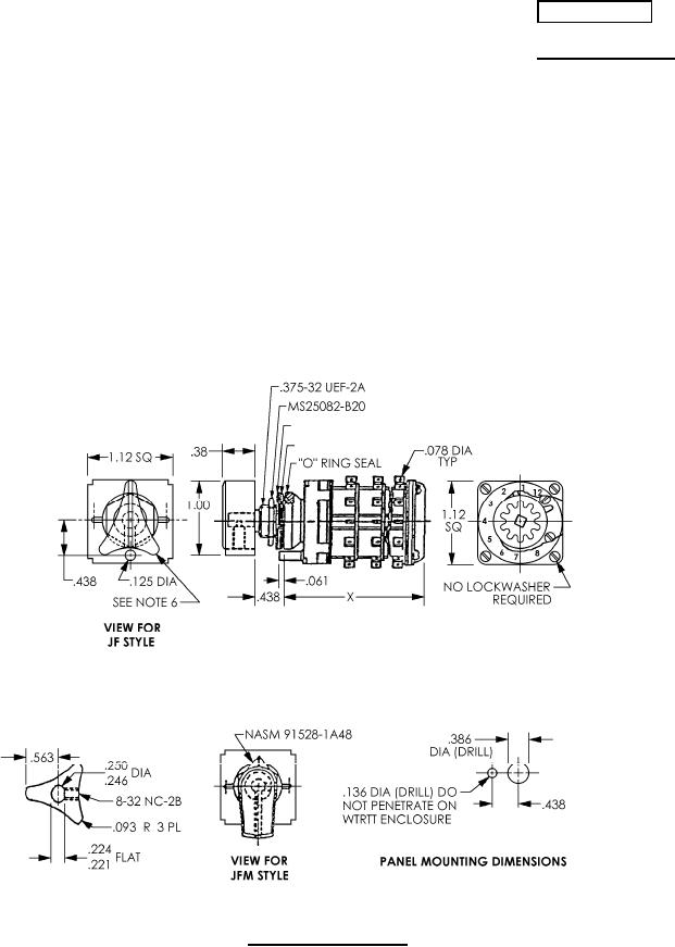
FIGURE 1. Style JF and JFM switch.
AMSC N/A
FSC 5930