
INCH-POUND
MIL-DTL-15743/9C
28 February 2007
SUPERSEDING
MIL-DTL-15743/9B
26 November 2002
DETAIL SPECIFICATION
SWITCHES, ROTARY, ENCLOSED, SUBMERSIBLE (15 FEET), SNAP ACTION,
500 VOLTS ALTERNATING CURRENT/250 VOLTS DIRECT CURRENT, 30 AMPERE,
SYMBOLS 839.1 (4PDT), 848.1 (TPDT), AND 2752.1 (SPECIAL)
This specification is approved for use by all Departments and Agencies of the
Department of Defense.
The requirements for acquiring the product described herein shall consist of this specification and the
latest issue of MIL-DTL-15743.
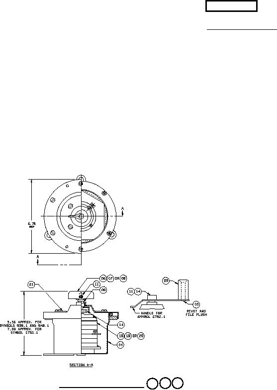
FIGURE 1. Switch, enclosed (typical). 01, 02, 03
(-001 shown)
NOTES:
1. All dimensions in inches.
2. Unless otherwise specified herein, tolerances shall be as follows:
Two place decimals - plus or minus 0.02.
Three place decimals - plus or minus 0.005.
Angular dimensions - plus or minus 30 minutes.
AMSC N/A
FSC 5930
For Parts Inquires call Parts Hangar, Inc (727) 493-0744
© Copyright 2015 Integrated Publishing, Inc.
A Service Disabled Veteran Owned Small Business