
MIL-DTL-15743/8C
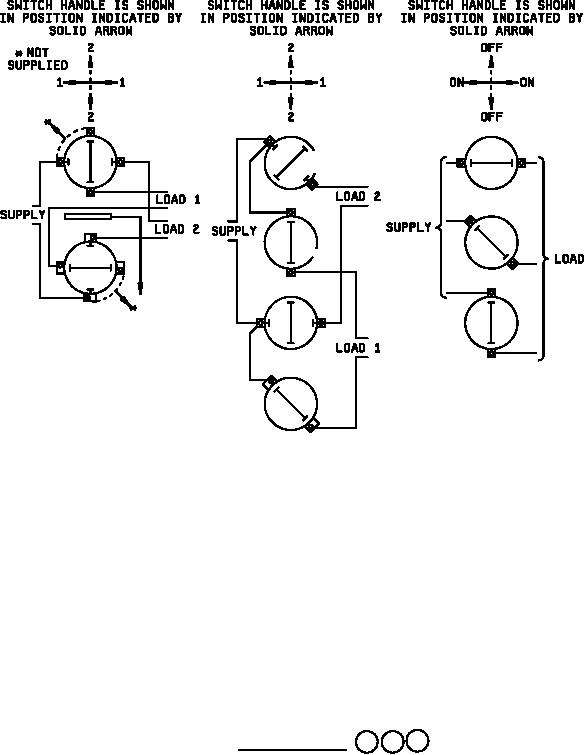
A. Symbol 838.1
B. Symbol 840.1
C. Symbol 851
FIGURE 10. Wiring diagrams. 11, 12, 13
7
For Parts Inquires call Parts Hangar, Inc (727) 493-0744
© Copyright 2015 Integrated Publishing, Inc.
A Service Disabled Veteran Owned Small Business