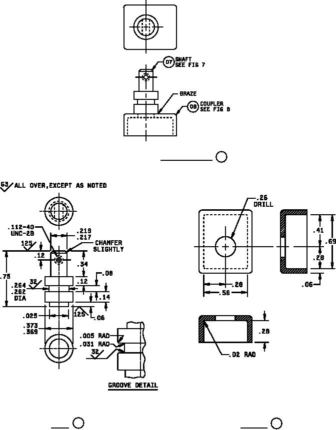
MIL-DTL-15743-7 Switch, Rotary, Enclosed, Splashproof, Snap Action, 125 Volts Alternation Current, 10 Ampere, Symbol 814 \(Dpst\)