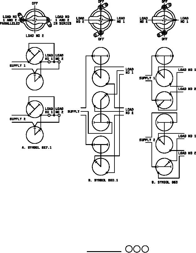
MIL-DTL-15743-5 Switches, Rotary, Enclosed, Submersible \(15 Feet\), Snap Action, 125 Volts Alternating Current, 10 Ampere, Symbols 827.1 \(Special\), 850.1 \(Tpdt\), And 863 \(4Pdt\)