
INCH-POUND
MIL-DTL-15743/21A
26 November 2002
SUPERSEDING
MIL-S-15743/21
27 August 1984
DETAIL SPECIFICATION SHEET
SWITCHES, ROTARY, ENCLOSED, WATERTIGHT, MULTIPOLE,
EIGHT POSITION, 125 VOLTS ALTERNATING CURRENT,
5 AMPERE, SYMBOLS 867.1 THROUGH 872.1
This specification is approved for use by all Depart-
ments and Agencies of the Department of Defense.
The requirements for acquiring the product described herein
shall consist of this specification and MIL-DTL-15743.
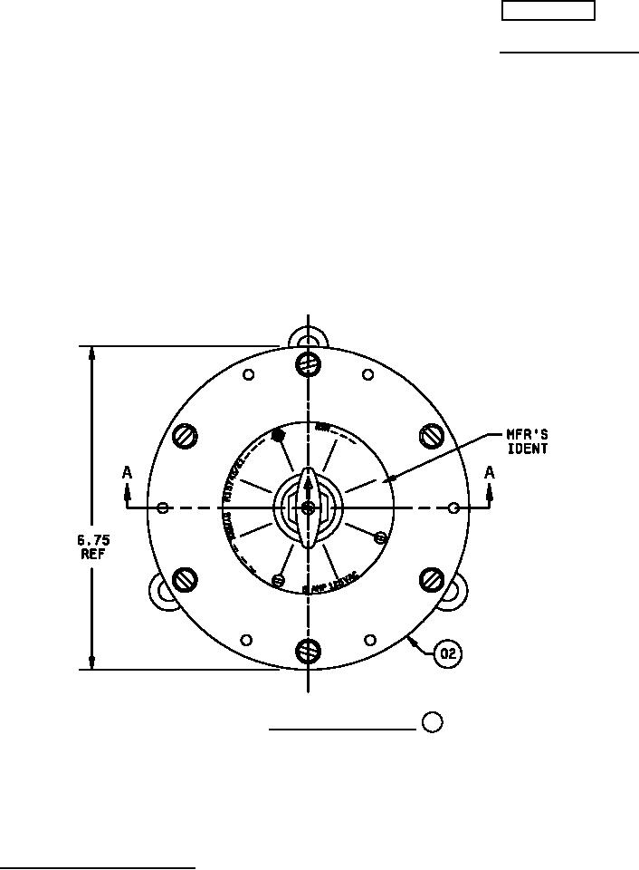
FIGURE 1. Switch, enclosed, typical. 01
NOTES:
1. All dimensions in inches.
2. Unless otherwise specified herein, tolerances shall be as follows:
Two place decimals - plus or minus 0.02.
Three place decimals - plus or minus 0.005.
Angular dimensions - plus or minus 30 minutes.
AMSC N/A
1 of 8
FSC 5930
DISTRIBUTION STATEMENT A. Approved for public release; distribution is unlimited.