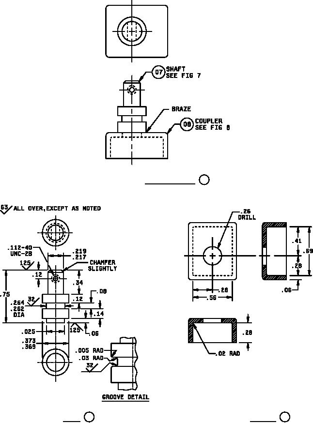
MIL-DTL-15743-1 Switch, Rotary, Enclosed, Submersible \(15 Feet\), Snap Action, 125 Volts Alternating Current, 10 Ampere, Symbol 801.1 \(Dpst\)