
MIL-DTL-15291/4B
GENERAL INFORMATION:
Switches not covered by specification sheets: Switches which are fabricated from standard parts, as
used in qualified switches, but which do not comply with switches detailed herein with respect to circuit
characteristics, switching action, mounting arrangement, and handle details may be acquired under this
specification from contractors having qualification approval under this specification. Kits not supplied
unless specified (see 6.2 of MIL-DTL-15291).
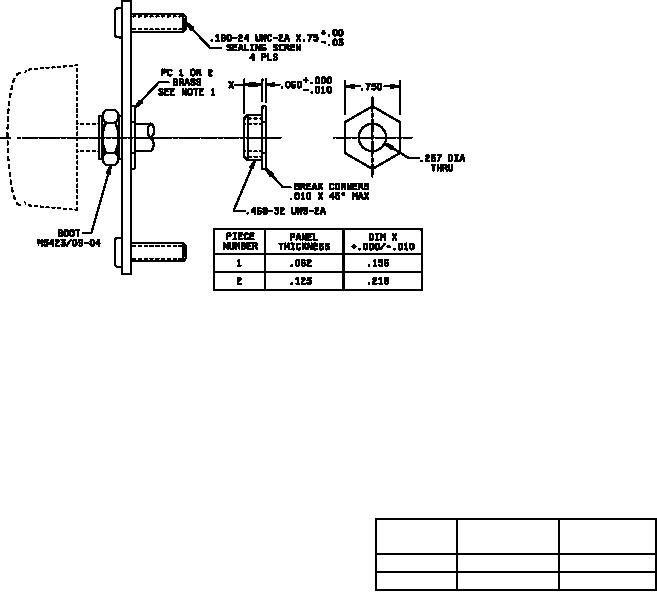
PIECE
PANEL
DIM "X"
NUMBER
THICKNESS
+.000, -.010
1
1/16
5/32
2
1/8
7/32
FIGURE 5. Dripproof mounting kit
7
For Parts Inquires call Parts Hangar, Inc (727) 493-0744
© Copyright 2015 Integrated Publishing, Inc.
A Service Disabled Veteran Owned Small Business