emilspec
An Integrated Publishing, Inc. Site
eMilSpec
An Integrated Publishing Website
MIL-DTL-15291-13 Switches, Rotary, Snap Action Class 20Sr Base Mounted, Side Connected
Pages
1
-
2
-
3
-
4
-
5
-
6
-
7
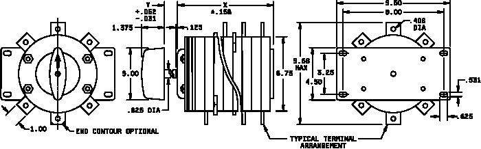
MIL-DTL-15291/13B
NOTES
1 Dimensions are
in inches.
2 Unless otherwise specified, tolerance
is plus or minus 0.015.
FIGURE 2 Class 20SR base mounted, side connected with handle.
2