
INCH-POUND
MIL-DTL-13625/1B
21 January 2009
SUPERSEDING
MIL-DTL-13625/1A
27 March 2003
DETAIL SPECIFICATION SHEET
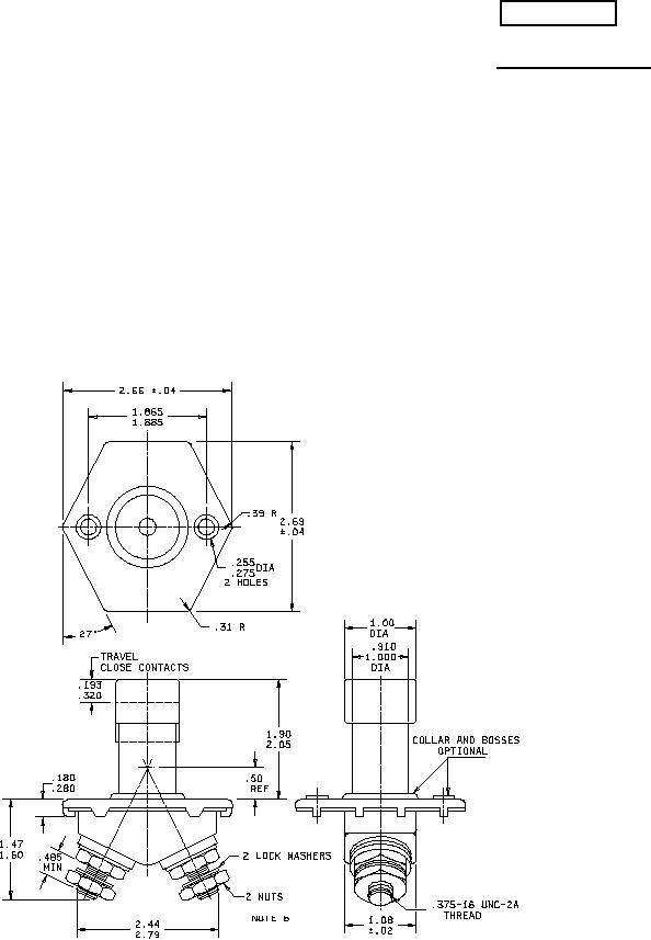
SWITCHES, PULL; SWITCHES, PUSH; SWITCHES, BEAM SELECTING,
HEADLIGHT: ELECTRICAL (28 VOLTS DC MAXIMUM,
FOR MILITARY VEHICLES)
This specification is approved for use by all Depart-
ments and Agencies of the Department of Defense.
The requirements for acquiring the product described herein
shall consist of this specification and MIL-DTL-13625.
NASM35338-46
MS35691-20
FIGURE 1.
AMSC N/A
FSC 5930