
INCH-POUND
MIL-DTL-12285/2H
1 September 2010
SUPERSEDING
MIL-DTL-12285/2G
12 May 2004
DETAIL SPECIFICATION SHEET
SWITCH, THERMOSTATIC
(SHORT SENSOR)
Inactive for new design after 8 March 1999
This specification is approved for use by all Departments and Agencies of the Department of Defense.
The requirements for acquiring the product described herein shall consist of this specification sheet and
MIL-DTL-12285.
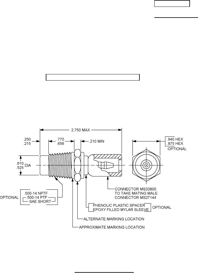
CONNECTOR MS33800
TO TAKE MATING MALE
1/2-14 NPTF
CONNECTOR MS27144
1/2-14 PTF
SAE SHORT
PHENOLIC PLASTIC SPACER
OPTIONAL
EPOXY FILLED MYLAR SLEEVE
ALTERNATE MARKING LOCATION
ALTERNATE MARKING LOCATION
NOTE: DIMENSIONS ARE IN INCHES. UNLESS OTHERWISE SPECIFIED, TOLERANCES ARE ± .010.
FIGURE 1. Dimensions and configuration.
AMSC N/A
FSC 5930