
A-A-55422A
TABLE I Operating characteristics 1/
CID PIN
Actuator
O. F. max
R.F. min
P.T. max
O. T. min
D. T. max
description
newtons
newtons
mm (inches)
mm (
mm (inches)
(ounces)
(ounces)
Inches)
A-A-55422-01
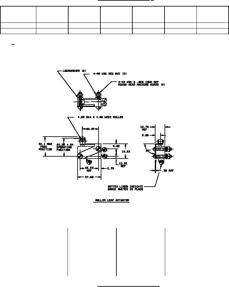
Roller leaf
5.00 (18)
1.11 (4)
1.52 (.060)
0.79 (.0310
0.41 (.016)
A-A-55422-02
Roller lever
1.39 (5)
0.28 (1)
4.78(.188)
1.57 (.062)
1.98 (.078)
1/ All characteristics are taken with actuator assembled on MIL-PRF-8805/27 basic switch or similar
item. Characteristics: O.F Operating force, R.F. Release force, P.T. Pretravel, O.T Over Travel,
D. T. Differential travel.
mm
Inches
mm
Inches
mm
Inches
mm
Inches
0.30
.012
4.83
.19
11.18
.44
20.32
.800
0.64
.025
5.08
.20
14.99
.59
20.57
.81
0.81
.032
5.59
.22
15.88
.625
22.10
.870
1.14
.045
5.84
.23
18.29
.72
22.23
.875
1.48
.055
7.11
.28
19.05
.750
22.63
.891
2.79
.11
10.31
.406
19.46
.766
27.69
1.09
3.56
.14
10.72
.422
FIGURE 1. Configuration and dimensions
2