
MIL-PRF-22710H
4.5.19 Sand and dust (when applicable, see 3.1 and 6.2.2) (see 3.22). Switches shall be tested in accordance
with method 110 of MIL-STD-202, test condition B. During the test, the switches shall be operated for 1,000 cycles.
The cycling rate shall not exceed 10 cycles of operation per minute. Switches shall be examined for evidence of
mechanical and electrical damage and change in operating torque.
4.5.20 Explosion (when applicable, see 3.1 and 6.2.2) (see 3.23). Switches shall be tested in accordance with
method 109 of MIL-STD-202. The following detail shall apply: Electrical load: Switches shall be operated with the dc
resistive load specified for atmospheric pressure (see 3.1).
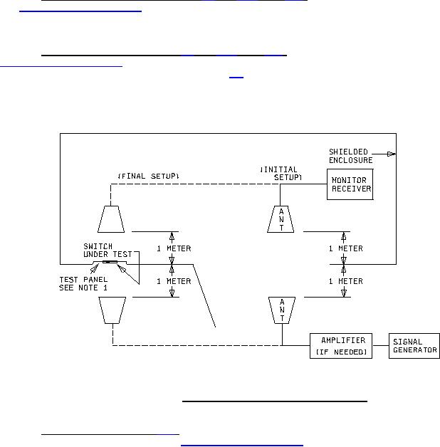
FIGURE 3. Block diagram of switch shielding efficiency.
4.5.21 Salt spray (corrosion) (see 3.24). Switches and their mounting hardware, assembled with their mounting
means, shall be tested in accordance with method 101 of MIL-STD-202. The following details shall apply:
a. Test-condition letter: B.
b. Measurements after exposure: Not applicable.
After the test, switches and mounting hardware shall be examined for evidence of excessive corrosion. Mounting
hardware shall be removed.
23
For Parts Inquires call Parts Hangar, Inc (727) 493-0744
© Copyright 2015 Integrated Publishing, Inc.
A Service Disabled Veteran Owned Small Business