
MIL-PRF-22710H
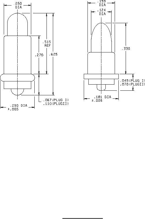
T-1 ¾ midget
T-1 subminiature
flanged base lamp.
flanged base lamp.
Inches
mm
Inches
mm
.005
0.13
.181
4.60
.045
1.14
.250
6.35
.067
1.70
.270
6.86
.070
1.78
.290
7.37
.110
2.79
.330
8.38
.124
3.15
.515
13.08
.159
4.04
.625
15.88
NOTES:
1. Dimensions are in inches.
2. Metric equivalents are given for general information only.
3. Unless otherwise specified, tolerance is ±.001 (0.03 mm).
FIGURE 1. Lamp retention adapter.
21
For Parts Inquires call Parts Hangar, Inc (727) 493-0744
© Copyright 2015 Integrated Publishing, Inc.
A Service Disabled Veteran Owned Small Business